概述
HEQ系列產品是新一代的電動執行器產品。進行模塊化設計,具有豐富可拓展的功能。適用于蝶閥、球閥、閘閥等多種不同形式的閥門。
優點
結構緊湊,方便狹小空間安裝,適配閥型范圍廣泛
高效的傳動設計,具備結構性自鎖
獨特的調節凸輪,調整閥位更便捷
雙重防凝露設計,電氣失效概率更低
模塊化設計,生產維修易操作
高防護等級,標配IP67出廠,可選配IP68
高防爆等級,可達Exd ll Ct6
獨立的電控單元設計,強大的前序保護電路為產品安全穩定保駕護航
控制精度高,可達到1%

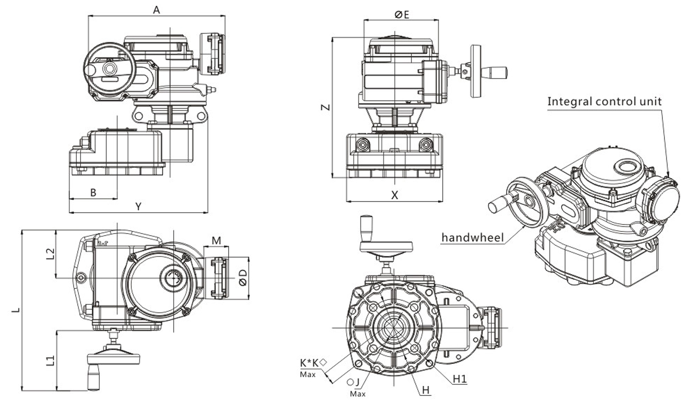
HEQ開關型-調節型外形尺寸

型號 | A | B | C | D | E | F | G | L | L1 | L2 | M | I | ◇K*K | ◇JMax | ◇KMax | 閥桿深度 |
HEQ1-05 | 112 | 146 | 166 | 120 | 112 | 100 | 35 | 138 | 98 | 66 | 70 | F05/F07 | M11 | ≤φ16 | ≤◇17 | 31 |
HEQ1-08 | ||||||||||||||||
HEQ1-10 | ||||||||||||||||
HEQ2-15 | 131 | 158 | 182 | 120 | 130 | 100 | 35 | 156 | 93 | 75 | 70 | F05/F07 | M14 | ≤φ16 | ≤◇17 | 31 |
HEQ2-20 | ||||||||||||||||
HEQ3-25 | 171 | 180 | 255 | 120 | 170 | 100 | 35 | 201 | 98 | 82 | 70 | F07/F10 | M14 | ≤φ32 | ≤◇27 | 45 |
HEQ3-40 | ||||||||||||||||
HEQ3-60 | ||||||||||||||||
HEQ4-80 | 200 | 205 | 230 | 120 | 185 | 150 | 35 | 214 | 141 | 86 | 70 | F12 | M27 | ≤φ45 | ≤◇36 | 45 |
HEQ4-100 | ||||||||||||||||
HEQ4-120 | ||||||||||||||||
HEQ5-200 | 232 | 231 | 360 | 120 | 212 | 150 | 35 | 250 | 141 | 100 | 70 | F14orF16 | M36 | ≤φ52 | ≤◇46 | 74 |
HEQ5-250 | ||||||||||||||||
HEQ5-300 |

型號 | A | B | D | E | H/H1 | K*K(Max) | J(Max) | X | Y | Z | L | L1 | L2 | M | 閥桿深度 | |
S | A | |||||||||||||||
HEQ400 | 339 | 137 | 120 | 339 | F14/F16/F25 | 50*50 | 35*35 | φ60 | 274 | 365 | 395 | 355 | 141 | 137 | 70 | 120 |
HEQ600 | 388 | 137 | 120 | 388 | F14/F16/F25 | 50*50 | 35*35 | φ60 | 274 | 392 | 405 | 391 | 141 | 137 | 70 | 120 |
HEQ800 | 388 | 137 | 120 | 388 | F14/F16/F25 | 50*50 | 35*35 | φ60 | 274 | 392 | 405 | 391 | 141 | 137 | 70 | 120 |
HEQ1000 | 388 | 137 | 120 | 388 | F14/F16/F25 | 50*50 | 35*35 | φ60 | 274 | 392 | 405 | 391 | 141 | 137 | 70 | 120 |
產品常規線路圖

技術參數
執行器類型 | HEQ 系列電動執行器 |
扭矩范圍 | 50~3000N.m直連;3000~8000N.m以上配齒輪箱 |
防護等級 | IP67,可選配IP68(IP68定義為水下15m,72小時不滲漏之等級) |
防爆等級 | ExdllCT6 |
工作時間 | 開關:S2:120 分鐘 調節:S4:30~50%1200 起始/小時 |
適用電壓 | AC110V,AC220V±10% 1 Phase;50/60Hz±5%,可選配AC/DC 24V,AC380V |
環境溫度 | -25℃~+70℃ |
相對濕度 | 90%(25℃) |
電機規格 | F級絕緣,帶有過溫保護 |
輸出連接 | ISO5211直連式,八角孔 |
調節型功能配置 | 支持失信模式,信號反轉選擇功能 |
手動裝置 | 手柄操作(選配手輪) |
位置指示 | 開關指針(選配凸蓋指示) |
輸入信號 | 開關型:開關有源信號,無源信號 調節型:標配4-20mA(輸入阻抗:150Q)。0-10V,2-10V;(多種信號共存) 光電隔離 |
輸出信號 | 開關型:有源+無源反饋 調節型:標配4-20mA(輸出阻抗:750Ω)。0-10V,2-10V;(多種信號共存) 光電隔離 |
電纜接口 | 標配:2-M20×1.5,其它尺寸可定制 |
防潮加熱器 | 標配(25W~30W) |
外觀顏色 | RAL:9004(黑),環氧聚脂粉體涂裝 |
控制精度 | 1%(更高精度可定制) |
產品選型
型號 | 輸出扭矩 (N.m) | 運行時間 | 電機功率 (W) | 額定電流 | 參考重量 (Kg) | |||||
AC380V | AC220V | AC110V | DC24V | |||||||
HEQ1 | -05 | 50 | 20 | 12 | 0.11A | 0.25A | 0.47A | 1.5A | 12S | 4 |
-08 | 80 | 30 | 12 | 0.11A | 0.25A | 0.47A | 1.5A | 18S | 4 | |
-10 | 100 | 30 | 15 | 0.12A | 0.31A | 0.53A | 1.87A | 18S | 4 | |
HEQ2 | -15 | 150 | 40 | 25 | 0.13A | 0.32A | 0.55A | 2.1A | 22S | 5 |
-20 | 200 | 40 | 30 | 0.17A | 0.41A | 0.71A | 2.7A | 22S | 5 | |
HEQ3 | -25 | 250 | 30 | 40 | 0.18A | 0.38A | 0.72A | 4.0A | 18S | 7 |
-40 | 400 | 30 | 60 | 0.25A | 0.5A | 1.0A | 6.8A | 18S | 8 | |
-60 | 600 | 30 | 90 | 0.3A | 0.75A | 1.5A | 9.5A | 18S | 9 | |
HEQ4 | -80 | 800 | 35 | 90 | 0.38A | 0.75A | 1.5A | 9.5A | 20S | 18 |
-100 | 1000 | 54 | 90 | 0.38A | 0.75A | 1.5A | 9.5A | 30S | 19 | |
-120 | 1200 | 54 | 120 | 0.55A | 1.1A | 2.3A | 12.2A | 30S | 19.5 | |
HEQ5 | -150 | 1500 | 30 | 200 | 0.9A | 1.9A | 3.9A | 13A | 35S | 28 |
-200 | 2000 | 40 | 200 | 0.9A | 1.9A | 3.9A | 18A | 35S | 28 | |
-250 | 2500 | 50 | 200 | 0.9A | 1.9A | 3.9A | 23A | 35S | 28 | |
-300 | 3000 | 60 | 200 | 0.9A | 1.9A | 3.9A | 30A | 35S | 28 | |
HEQ4JS | -400 | 4000 | 140 | 90 | 0.38A | 0.75A | 1.5A | 9.5A | 120S | 52 |
HEQ5JS | -600 | 6000 | 120 | 200 | 0.9A | 1.9A | 3.9A | 13A | 120S | 62 |
-800 | 8000 | 160 | 200 | 0.9A | 1.9A | 3.9A | 18A | 120S | 62 | |
-1000 | 10000 | 200 | 200 | 0.9A | 1.9A | 3.9A | 23A | 120S | 62 | |
注:
1. 產品出廠標準配置。
2. 額定扭矩為**扭矩的0.75倍。
3. 上述為50Hz的開關時間,60Hz的開關時間為50Hz開關時間的5/6倍。**扭矩同上。
4. 上述為執行器的常規參數,如有特殊要求可與本公司聯系。